Kapcsolási Rajz Ford Focus 2 Biztosítéktábla Rajz





Gepkocsik Kapcsolasi Rajzai Hobbielektronika Hu Online Elektronikai Magazin Es Forum

Gepkocsik Kapcsolasi Rajzai Hobbielektronika Hu Online Elektronikai Magazin Es Forum

Gepkocsik Kapcsolasi Rajzai Hobbielektronika Hu Online Elektronikai Magazin Es Forum

Gepkocsik Kapcsolasi Rajzai Hobbielektronika Hu Online Elektronikai Magazin Es Forum

Gepkocsik Kapcsolasi Rajzai Hobbielektronika Hu Online Elektronikai Magazin Es Forum

Gepkocsik Kapcsolasi Rajzai Hobbielektronika Hu Online Elektronikai Magazin Es Forum

Ford Focus Biztositektabla Leiras Gepkocsi

Ford Focus Biztositektabla Leiras Gepkocsi

Gepkocsik Kapcsolasi Rajzai Hobbielektronika Hu Online Elektronikai Magazin Es Forum

Gepkocsik Kapcsolasi Rajzai Hobbielektronika Hu Online Elektronikai Magazin Es Forum

Gepkocsik Kapcsolasi Rajzai Hobbielektronika Hu Online Elektronikai Magazin Es Forum

Gepkocsik Kapcsolasi Rajzai Hobbielektronika Hu Online Elektronikai Magazin Es Forum

Gepkocsik Kapcsolasi Rajzai Hobbielektronika Hu Online Elektronikai Magazin Es Forum

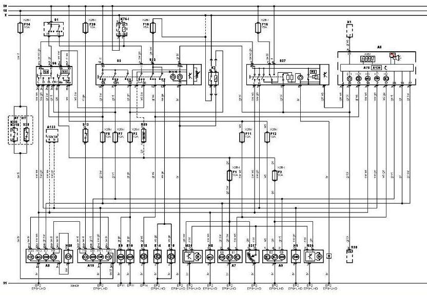
A vezetőoldali jobb ajtó kapcsolóból l a fel le működtetésnél kijön a 12v de nem mozog az ablak.

Kapcsolási rajz ford focus 2 biztosítéktábla rajz. Ford focus kombihoz egy kapcsolási rajz. Ez a fő biztosítéktábla felett. Már keresem egy ideje de nem találom apunak kellene ford kapcsolási rajz kombi focus központi zár. A jobb első ajtón levő kapcsolón nincs feszültség.

De egy gyári biztosítéktábla egy gem modullal biztosan 5 számjegyű összeg és az sincs kizárva. Az adatbázisban többek között megtalálhatóak az egyes motorok váltók gyári előírásának megfelelő folyadékmennyiségek és sae besorolások kerékméretek az előírt nyomásértékek feltüntetésével. Amikor bekapcsolom a biztosítéktábla felöl egy kattanás hallatszik ebből arra gondolok hogy az relé romlott el. írja be az alvázszámot és töltse le járművéhez a legfrissebb kezelési kézikönyvet és további útmutatóinkat.

Ford focus kezelési útmutató 2008 ford focus 2008 kezelési útmutató ספר tipolim fucus pord 2008 2 0 duratec he huolto ohjelma ford focus kapcsolási rajz klíma ford c max 1 6 tdci pord ספר rchv fucus 2008 rotfodrun ford focus 2005 rok 145 k s r kovodstvo na spotřebitele ford ford focus ruční de reparatii ford focus2. Ferrari laferrari replika 2019 02 24 m3 as bmw ket eszik vacsorára egy tuningolt ford focus rs 2019 01 21 chris harrisnek is tetszett a ferrari 488. Bízunk benne hogy a z ford focus alábbi felhasználói útmutatója hasznos lesz az ön számára. Részletes ford karbantartási és javítási útmutatók mondeo focus fiesta ka escort típusú gépjárművekhez.

2 hűtőventillátor motor. Focus 1 hez kéne kapcsolási rajz. A lastmanuals könnyű és gyors hozzáférést biztosít a z ford focus kézikönyvéhez. De azért íme egy full kapcsolási rajz a.

Töltse le fordjához a kezelési kézikönyvet itt. Töltse le a dokumentumot ha az az ön által keresett felhasználói kézikönyv használati útmutató brosúra vagy kapcsolási rajz. A kocsi 1999 es a központi zárral van baj valami elektromos kapcsolási rajzot nem lehetne hozzá leszedni valahonnan. 1 anya biztosíték innét ered minden r1 nappali világítás zöld r2 fütőventillátor fekete 4 gyújtáskapcsol ó.

5 fűthető szélvédő bal oldali rész 6. 2003 as 1 6 benzines ford focus jobb első ablaka nem megy le fel sem a vezetőülés oldalról sem a jobb ajtóról. Nekem ma ezt adták a fordnál. Szeretnék egy utólagos központi zár vezérlőt beépíteni ehhez kellene a kapcsolási rajz hogy melyik vezetékhez kössem.

Sokaknak problémája hogy nincs a kocsijához kapcsolási rajz itt lehetne cserélni ezeket segíteni. Vissza az elejére. én is keresnék elektromos kapcsolási rajzot 2001 es focus 1 6l.

Ford Fiesta Biztositektabla Rajz Korkealaatuinen Korjaus Valmistajalta

Ford Fiesta Biztositektabla Rajz Korkealaatuinen Korjaus Valmistajalta

Ford Focus Biztositektabla Leiras Gepkocsi

Ford Focus Biztositektabla Leiras Gepkocsi

Hol Vannak A Ford Focus Kocsi Biztositekai Csinald Magad Ongyujto Biztositekot

Hol Vannak A Ford Focus Kocsi Biztositekai Csinald Magad Ongyujto Biztositekot

Ford Focus Kozponti Zar Kapcsolasi Rajz Korkealaatuinen Korjaus Valmistajalta

Ford Focus Kozponti Zar Kapcsolasi Rajz Korkealaatuinen Korjaus Valmistajalta

Ford Transit Elektromos Kapcsolasi Rajz Korkealaatuinen Korjaus Valmistajalta

Ford Transit Elektromos Kapcsolasi Rajz Korkealaatuinen Korjaus Valmistajalta

Ford Focus Kozponti Zar Kapcsolasi Rajz Korkealaatuinen Korjaus Valmistajalta

Ford Focus Kozponti Zar Kapcsolasi Rajz Korkealaatuinen Korjaus Valmistajalta

Ford Focus Biztositektabla Leiras Gepkocsi

Ford Focus Biztositektabla Leiras Gepkocsi

Gepkocsik Kapcsolasi Rajzai Hobbielektronika Hu Online Elektronikai Magazin Es Forum

Gepkocsik Kapcsolasi Rajzai Hobbielektronika Hu Online Elektronikai Magazin Es Forum

Magyar Ford Focus Klub Futoventilator Tisztitasa Hibakereses Ford Focus I 2000

Magyar Ford Focus Klub Futoventilator Tisztitasa Hibakereses Ford Focus I 2000

Magyar Ford Focus Klub Ulesfutes Beepitese Focus Ii Be

Magyar Ford Focus Klub Ulesfutes Beepitese Focus Ii Be

Szivargyujto Biztositek Ford Focus 2 Hol Hogyan Kell Kicserelni

Szivargyujto Biztositek Ford Focus 2 Hol Hogyan Kell Kicserelni

Ford C Max Kezelesi Kezikonyv

Ford C Max Kezelesi Kezikonyv

Gepkocsik Kapcsolasi Rajzai Hobbielektronika Hu Online Elektronikai Magazin Es Forum

Gepkocsik Kapcsolasi Rajzai Hobbielektronika Hu Online Elektronikai Magazin Es Forum

Vw Polo 4 Biztositektabla Rajz Gepkocsi

Vw Polo 4 Biztositektabla Rajz Gepkocsi

Source : pinterest.com